COLAS+
Actuellement, deux types de circuits pneumatique de suspension sont utilisés.
- Simple circuit = Tous les coussins de suspensions sont reliés au travers d’un bloc distributeur.
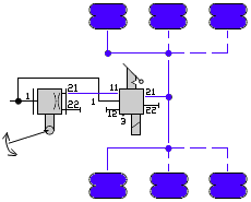
- Double circuit = Les coussins gauche et droit ne sont pas reliés, mis à part au travers du restricteur de débit de la valve de nivellement.
Vous trouverez ici les composants pour les deux types de circuits.
Circuit de suspension double
|
Circuit de suspension simple
|
|---|---|
![]() |
![]() |

