EGP with 2nd ride height
The benefit of a EGP standard levelling valve, with a 2nd ride height control. Below is a complete technical description of the product
The 2nd ride height can be set in accordance with the respective angle (Deflection) of each valve. The angle here refers to the deflection of the control lever from the horizontal, in degrees. The body height changes (mm) as a function of the lever length; see chart “2nd ride height”.

Chart for 2nd ride height
|
Linkage distance (mm) |
60 |
80 |
100 |
120 |
140 |
160 |
180 |
200 |
220 |
240 |
260 |
280 |
300 |
320 |
|---|---|---|---|---|---|---|---|---|---|---|---|---|---|---|
|
Height change (mm) for α = 10° |
10 |
14 |
17 |
21 |
24 |
28 |
31 |
35 |
38 |
42 |
45 |
49 |
52 |
56 |
|
Height change (mm) for α = 16° |
17 |
22 |
28 |
33 |
39 |
44 |
50 |
55 |
61 |
66 |
72 |
77 |
83 |
88 |
|
Height change (mm) for α = 20° |
21 |
27 |
34 |
41 |
48 |
55 |
62 |
68 |
75 |
82 |
89 |
96 |
103 |
109 |
|
Height change (mm) for α = 35° |
34 |
46 |
57 |
69 |
80 |
92 |
103 |
115 |
126 |
138 |
149 |
161 |
172 |
184 |
Example:
Using a levelling valve with 2nd ride height @16°, and lever length=220mm
Ride body height = 1210mm
2nd ride height = 1210+61 = 1271mm
- Test for operation and leaks.
- The pressure should neither rise nor fall at the delivery ports in the neutral position.
- Check the linkage moves freely and is in good condition, replace if bent or welded.
- Replace hardened or brittle rubber parts.
- If defects are noted during vehicle examinations or when driving, then the unit should be exchanged.
- When working with high pressure cleaners a distance of at least 50 cm should be observed.
- Missing exhaust caps are to be renewed.
| Medium | Air |
| Operating pressure, dynamic | 13 bar |
| Max. permissible bellow pressure | 20 bar |
| Working range (charging / discharging) | 45° |
| Thermal range of application | - 45° ... + 85°C |
| Operating side | left and right |
| Tightening torque ports (thread M12x1.5) | 12 - 15 Nm |
| Tightening torque for fixing the body | 20 - 22 Nm |
| Tightening torque for fixing the linkage (wrench size 10) |
8 Nm |
| By rotating the linkage around 180° the same function will be achieved within a tolerance |
1st ride height 3.5° |
| 2nd ride height 4.5° | |
| Dead angle at p1 = 8 bar, p2 = 7 bar | 1st ride height 2° |
| 2nd ride height 3.5° | |
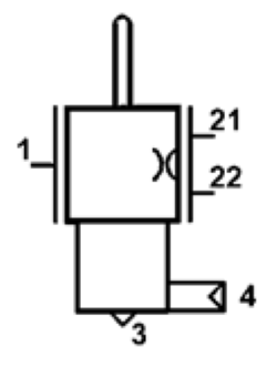
| Ports 1 |
Supply |
| Ports 21, 22 |
Delivery |
| Port 3 | Exhaust |
| Port 4 | Control |
Sectional drawing

1 - Reservoir
21,22 - Suspension
3 - Exhaust
4 - Control
Símbolo
|
DIN 74253 |
|---|
![]() |
| The Type chart shows the air flow depending the angle of the lever. The higher the type number is (internal diameter of the valve) the higher air flow rate is reached. The curve profil is also important, as they are more or less progressive in the range 0° to 20° angle. |
|

