This site offers basic functionality without JavaScript, but do expect a degraded user experience.
Europe
Trailer Application Guide
Air Suspension
Lift Axle Valves
ILAS I
Datos técnicos
SUMS
Electronic Braking Systems
ABS
Brake Components
Actuadores
Air Suspension
System Description
Levelling valves
Raise & Lower Valves
Lift Axle Valves
ILAS I
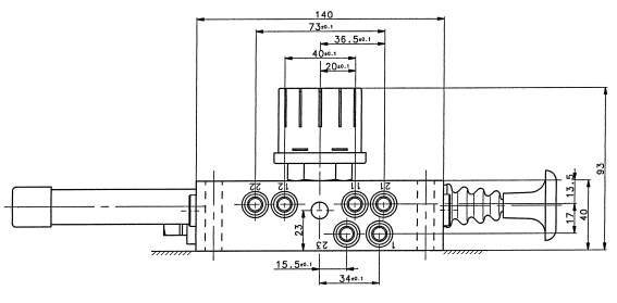
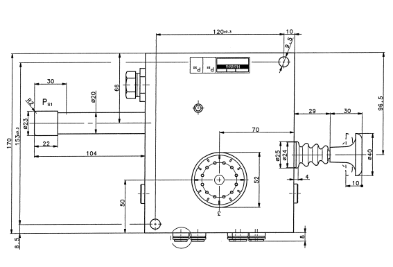
Datos técnicos
Configuración
Variantes
ILAS III
ILAS-E+
Documentación
Frenos de disco neumáticos
Brake Adjuster
Software
Esquemas eléctricos de frenos y suspensión
Datos técnicos