Données techniques
| Fluide | Air |
| Pression d'utilisation | 10 bar |
| Température d'utilisation | -40°C +80°C |
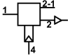
| Orifice 1 | Entrée - Tête d'accouplement rouge |
| Orifice 2 | Sortie - Frein de service |
| Orifice 4 | Pilotage - Tête d'accouplement jaune |
| Orifice 2-1 | Sortie/Entrée - Réservoir |
DIN 74253 |
![]() |
