This site offers basic functionality without JavaScript, but do expect a degraded user experience.
Europe
Trailer Application Guide
Freinage pneumatique
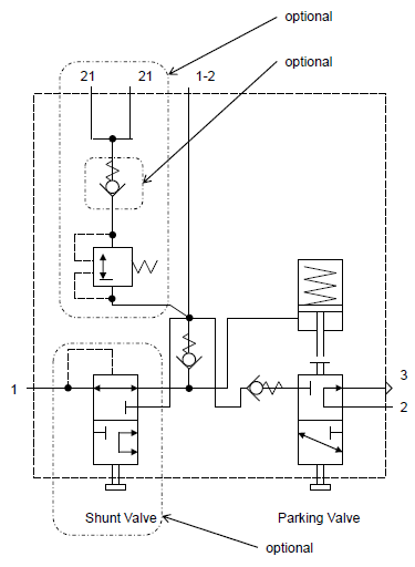
TEM | Safe Parking
Technical data
SUMS
Systèmes de freinage électronique EBS
Systèmes ABS
Freinage pneumatique
Têtes d'accouplement
Filtre de conduite
Valve relais d'urgence (VRU)
Correcteurs de freinage
Robinet de frein de parc et défreinage
TrCM | Trailer Control Module
TrCM+ | Safe Parking
TEM | Safe Parking
Technical data
Variantes
TEM schémas fonctionnels
Pièces détachées
Documentation
TEM+
Valve de décharge rapide
Check valve
PPV
Actionneurs
Suspension pneumatique
Freins à disque pneumatique
Régleurs de frein automatiques
Logiciels
Schémas de câblage pour les freins et la suspension
Technical data
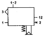
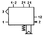
Symboles
DIN 74253
352 075 001/101/201
352 075 011
352 075 031
352 075 051
DIN ISO 1219