TrCM+ - Charging (~4 bar)

Têtes d'accouplement connectées, en cours d'alimentation, pression réservoir ~4 bar
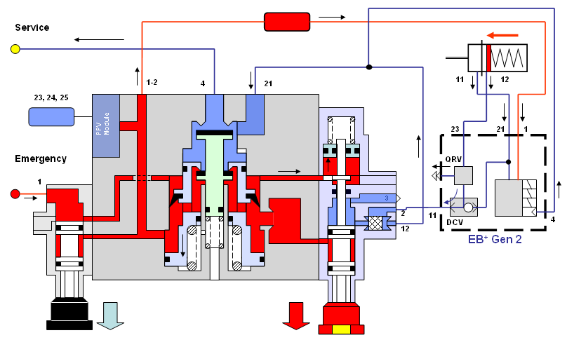
| Frein de service | Frein de stationnement |
DCV (Valve anti-addition des efforts) |
ABS | Robinet de frein de parc |
PPV (Valve de barrage) |
|---|---|---|---|---|---|
| OFF (*) | ON – Stationnement (*) | OFF | OFF | Position stationnement (Position roulage possible) | Fermée |