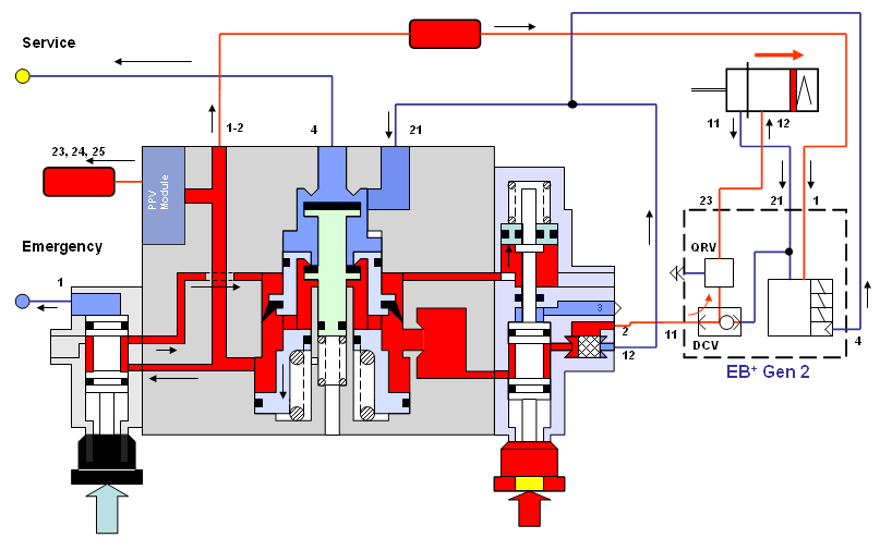
TrCM+ - Maneuvering condition
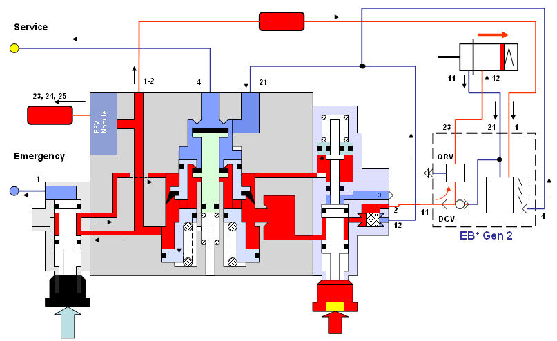
Têtes d'accouplement déconnectées, freins de service et stationnement désactivés par le conducteur, véhicule stationné
- Pousser le robinet de défreinage
- Pousser le robinet de frein de stationnement
Attention! Véhicule défreiné!
Les freins restent relâchés si le robinet de frein de stationnement n'a pas été tiré avant de reconnecter les têtes d'accouplements!
| Frein de service | Frein de stationnement | DCV (Valve anti-addition des efforts) |
ABS | Robinet de frein de stationnement |
PPV (Valve de barrage |
|---|---|---|---|---|---|
| OFF ** | OFF ** | OFF | - | Position roulage ** | Ouverte |
** = Opération manuelle
