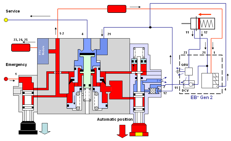
TrCM+ - System recoupled
Têtes d'accouplement reconnectées, réservoir correctement alimenté , véhicule stationné.
Freinage automatique d'urgence OFF, le frein de stationnement est appliqué automatiquement.
| Frein de service | Frein de stationnement | DCV (Valve anti-addition des efforts) |
ABS | Robinet de frein de stationnement |
PPV (Valve de barrage) |
|---|---|---|---|---|---|
| OFF ** | ON ** | OFF | - | Position stationnement (position roulage possible) | Ouverte |
** = Fonction automatique
