Technical data
| Pression d'utilisation | pe = 10 bar |
| Température d'utilisation | - 40°C - + 70°C |
| Fluide | Air |
| Poids | env. 1.8 kg |
| Valve de protection de pression | DIN 74279 - C 6-22 |
| Pression d'ouverture | pe = ca. 6.2 bar |
| Pression de fermeture | pe = min 5.2 bar |
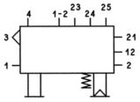
Orifice |
Description |
|---|---|
| 1 | Entrée (Conduite d'alimentation tracteur, tête d'accouplement rouge) |
| 1-2 | Entrée/alimentation (réservoir) |
| 2 | Sortie (Frein de parc) |
| 3 | Echappement (Frein de parc) |
| 4 | Pilotage (Conduite de service, tête d'accouplement jaune) |
| 12 | Doit être relié à l'orifice 21 (raccord en T) |
| 21 | Sortie (Orifice 4 EBS/ABS) |
| 22 | Obturé |
| 23, 24, 25 | Sortie valve de barrage (suspension, auxiliaire) |
Pour plus d'informations techniques, voir le rapport TÜV No. KO250.4E dans la page documentation
Symbole
| DIN 74253 |
![]() |
