Levelling valve with height limitation
The chassis height of the vehicle is a function of the lever length and the rotation angle at the shaft of the levelling valve (measured in degree°). Thus the height limitation is not set by a travel (mm) but by an angle (°). How these angles the lever length and the change of the chassis height is linked together you can see in the "chart for height limitation" (here shown for 45° as an example).
The height limitation can be set over a range of α = 15° to 50°. If the factory-set height limitation of α = 45° ±2° needs to be changed, the dump valve must be removed (using SW 13) and the adjuster screw turned with a suitable tool (904 054 001).
- Clockwise rotation: α < 45°
- Anticlockwise rotation: α > 45°
The angle here refers to the downwards excursion “α” of the control lever from the horizontal, in degrees. After setting please refit the dump valve.
Chart for height limitation
| Lever length setting |
|||||||||||||
|---|---|---|---|---|---|---|---|---|---|---|---|---|---|
|
60 |
80 |
100 |
120 |
140 |
160 |
180 |
200 |
220 |
240 |
260 |
280 |
300 |
320 |
|
+42 |
+56 |
+70 |
+84 |
+99 |
+113 |
+127 |
+141 |
+156 |
+170 |
+184 |
+198 |
+212 |
+226 |
|
Corresponding body height limitation @ 45° setting (mm) |
|||||||||||||
Example :
Using the factory setup of 45° for the limitation, and lever length=180mm
Ride floor height = 1210mm
Floor height limitation = 1210+127 = 1337mm
Setting of the height limitation :
- Remove dust cap at the bottom of the valve (SW13).
- Using the tool 904 054 001, turn clockwise to screw-in the height limitation setting part (low tightening torque!).
- Push hand lever of COLAS valve, and select "Raise" position.
- Use tool 904 054 001, turn anticlockwise until you reach the desired maximum height.
- Reinstall dust cap (SW13)
Inspection
- Test for operation and leaks.
- The pressure should neither rise nor fall at the delivery ports in the neutral position.
- Check the linkage moves freely and is in good condition, replace if bent or welded.
- Replace hardened or brittle rubber parts
Maintenance
- If defects are noted during vehicle examinations or when driving, then the unit should be exchanged.
- When working with high pressure cleaners a distance of at least 50 cm should be observed.
- Missing exhaust caps are to be renewed.
| Technical data | |
| Medium | Air |
| Operating pressure, dynamic | 13 bar |
| Max. permissible bellow pressure | 20 bar |
| Working range (charging/discharging) | 45° |
| Operating side | left and right |
| Tightening torque ports (thread M12x1.5) | 12 - 15 Nm |
| Tightening torque ports (thread M16x1.5) | 20 - 25 Nm |
| Tightening torque for fixing the body | 20 + 2 Nm |
| Tightening torque for fixing the linkage (wrench size 10) |
8 Nm |
| Tightening torque for fixing the linkage (wrench size 13) |
15 - 20 Nm |
| Ports 1, 12 | Supply |
| Ports 21, 22, 23 | Delivery |
| Port 3 | Exhaust |
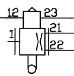
Sectional drawing
|
1, 12 - Reservoir 21, 22 - Suspension 23 - Supply 3 - Exhaust |
![]() |
DIN ISO 1219 |
DIN 74253 |
|---|---|
![]() |
|
Type chart (flow)
The Type chart shows the airflow depending on the angle of the lever. The higher the type number is (internal diameter of the valve) the higher the air flow rate is reached. The curve profile is also important, as they are more or less progressive in the range 0° to 20° angle.



