Description
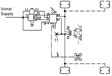
The COLAS raise/lower valve is used to raise and lower the deck of commercial vehicles. On dead man versions the lever automatically returns to the centre "STOP" position when released, isolating ports 21, 22 from port 1 or port 3 to prevent further inflation or deflation of the air bags. When electrically connected to the EB+ via a solenoid valve, the system provides an automatic return to ride height function, typically at a speed threshold of approximately 15 mph.
Function
| Position "DRIVE" | When the lever is in the central position it may be pulled out and locked to prevent unintentional operation. Port 11 is linked with port 21 and port 12 is linked with port 22 providing a direct connection between the height control valve and the air bellows. |
|---|---|
| Position "STOP" | When the lever is in the central position and pushed in, ports 11 and 12 are isolated from ports 21 and 22. |
| Position "RAISE" | When the lever is operated from the "STOP" position in an anticlockwise direction (approx. 45°) ports 21, 22 are linked with port 1 and the air bellows are inflated. If port 1 is fed by the height limitation device (e.g. port 23 of a levelling valve) raising is only possible if the maximum height of the chassis is not reached. On release, the lever automatically returns to the central "STOP" position and isolates ports 21, 22 from port 1 preventing further bellow inflation. (Note that the dead man function is not available on 338 053/055...). |
| Position "LOWER" | When the lever is operated (approx 45°) in a clockwise direction from the "STOP" position, ports 21, 22 are linked with port 3 and the air bellows are deflated. On release the lever automatically returns to the central position and isolates ports 21, 22 from port 3 preventing further deflation of the bellows. (Note that the dead man function is not available on 338 053/055...). |
| Reset from position "STOP" to position "DRIVE" | When the lever is in the central position it may be locked by pulling it out to the "DRIVE" position so that unintentional operation is prevented. |
| Automatic Reset to ride height (RtR) | If the solenoid valve on the backside of the unit is connected to an ABS/EBS system (electrical auxiliary port) a speed related pulse signal (vehicle speed > 15 kph) resets the lever from the "STOP" position or from the "LOWER fixed (RoRo)" position to the "DRIVE" position automatically. |
Operating Instructions
The lever position "RAISE" or "LOWER" can only be operated from the "STOP" position since the lever is locked in the "DRIVE" position. If an attempt is made to turn the lever to the "DRIVE" position with more than 35 Nm, this will break the lever. The "STOP" position is reached by pushing the lever out of the "DRIVE" position
Mechanical Installation
The assembly is mounted by a minimum of 2 x M8 bolts via holes provided on the housing tightening thorque 15+2 Nm. The installation location should be selected, clear of direct spray or splash and with some protection from high pressure cleaners. The operating lever should be easily accessible. Care should be taken to ensure the lever does not protrude from the edge of the vehicle when pulled out. If required protection against unintentional operation should be provided by the vehicle manufacturers. In the event of paint/coating work all open connections including the exhaust port should be protected by suitable means to avoid penetration of the paint/coating. After painting/coating remove this protecting material. In the supply coming from the air reservoir a line filter should be installed (to guard against pollutants)
Pneumatical Installation
Pneumatic connection should be in accordance with assembly diagrams. The exhaust port „3“ should be protected against contamination. When assembling pneumatic lines care should be taken to ensure that the tubes are cut square and free from burrs. So that the permissible height is not exceeded when raising the deck height, it is advisable to use the equipment in conjunction with a height limitation devise (e.g. Haldex height control valve with height limitation). All open plug and socket connections and exhausts should be protected against contamination during painting. After painting, the protective devices should be removed again. Instruction label 028 0478 09 should be fixed in the vicinity of the COLAS® valve. On valves with push-in fittings use only nylon pipes (depends on version) 8x1, 10x1.25 or 12x1.5 in accordance with DIN 74 324 or 1/4“ x 0,04 in accordance with SAE J844. When assembling the nylon pipes, care should be taken to ensure that the pipes are cut square, to the required length and are free from burrs. Before inserting the pipes in the push-in fittings don´t support sleeves in the ends of the pipes because the sleeves are integrated inside of the brass fittings. Only versions with port 13-4 needs sleeves 8mm for the port 13-4 (to be ordered separately). Pipes are to be inserted at least 18.5 mm or 20.5 mm (depends on fitting) deep in the connections.*
Details of brass fittings (8 / 10 / 12 mm)



Details of port 13-4 fitting


COLAS supply with bypass
If Port 1 is fed by a height limitation device take care that a minimum pipe length of 1.5 meter is needed. If the pipe is shorter please use a bypass with a throttle part number 027 0665 09 (for 8mm plastic tube). The throttle is part of the assembling kit 003 6206 09.In other case it can happen that the RtR Function cannot work because of too low air volume for the solenoid valve if the height limitation device is active (chassis at maximum height).

Port 13-4
If Port 1 is fed by a height limitation device and there is not enough space to connect a minimum pipe length of 1.5 meter it is also possible to use a COLAS Version with a port 13-4. This port 13-4 supplies the solenoid valve separate with compressed air. So in all conditions the RtR function can work properly. In this case the bypass with a throttle is not necessary.

Solenoid socket
Strip the insulation off the PUR cable as per the diagram. After wiring tighten the PUR cable with the PG- screw (4-6 Nm). Fix the sealed connector cover with the screw (M3) (0.5-0.6 Nm) and seal up the screw with the O-ring ø 3 x 1.5 (within the assembling kit) . Cable should run up to connector-cover.


Solenoid bayonet
Use bayonet according to DIN 72585. On bayonet the union nut must be attached suitable and engaged correctly by turning clockwise to guarantee optimal sealing. For Haldex EB+ you can use cable with part-no. 814 012 xxx

Inspection
- Test for operation and leaks.
- Test for correct assembly
- Check instruction label
Maintenance
- If defects are noted during vehicle examinations or when driving, then the unit should be exchanged.
- When working with high pressure cleaners a distance of at least 50 cm should be observed.
- Missing exhaust caps are to be renewed.
Technical data
| Medium | Air |
| Operating pressure | 8.5 bar |
| Operating temperature | - 40°C ... + 80°C |
| Tightening torque for fixing the body | 15 +/- 1.5 Nm |
| Ports 1, 13-4 | Supply |
| Ports 11, 12 | from height control |
| Port 21, 22 | to the air bags |
| Port 3 | Exhaust |
| Solenoid 12V DC | |
| Current power consumption at 20°C: | I0 = 300 mA / P0 = 3.5 W |
| Permissible duty: | 10 s |
| Type of protection: | DIN 40050 - IP 6K 9K |
| Solenoid 24V DC | |
| Current power consumption at 20°C: | I0 = 100 mA / P0 = 2.5 W |
| Permissible duty: | 10 s |
| Type of protection: | DIN 40050 - IP 6K 9K |