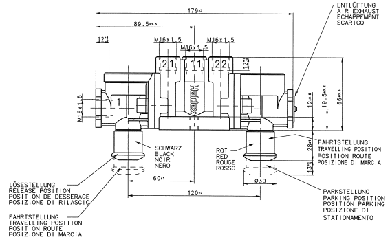
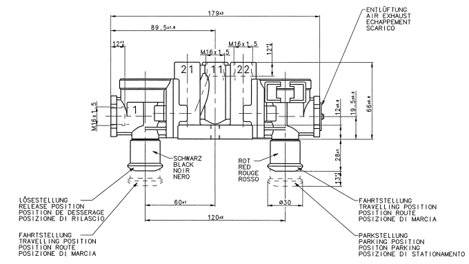
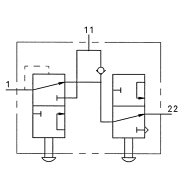
Technical data
| Medium | Air |
| Operating pressure | 8.5 bar |
| Operating temperature | -40°C +80°C |
| Port Thread | M16x1.5 |
| Thightening torque for fittings | 34Nm |
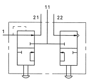
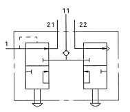
| Port 1 | Supply - Red coupling head |
| Port11 | Supply - Reservoir |
|
Port 21 Not for 352 046 xxx |
Delivery - Relay Emergency Valve |
| Port 22 | Delivery - Park brake |
| Port 3 | Exhaust - Park brake |
|
Symbols: DIN ISO 1219 |
||
352 044 xxx |
352 045 xxx |
352 046 001 |
![]() |
![]() |
![]() |
Dimensions
352 044/045/046 xxx

352 044/045 xxx

352 046 xxx



