This site offers basic functionality without JavaScript, but do expect a degraded user experience.
Europe
Trailer Application Guide
Brake Components
TEM | Safe Parking
TEM Interactive functional drawings
TEM - Manually parked
SUMS
Electronic Braking Systems
ABS
Brake Components
Coupling Head
Inline Filter
Relay Emergency Valve (REV)
Load Sensing Valves
Park & Shunt Valve
TrCM | Trailer Control Module
TrCM+ | Safe Parking
TEM | Safe Parking
Technical data
Variants
TEM Interactive functional drawings
TEM - Shunt Step 1
TEM - Shunt Step 2
TEM - Uncoupled/Emergency
TEM - Manually parked
TEM - Driving position
Spare parts
Documentation
TEM+
Quick Release Valve
Check valve
PPV
Actuators
Air Suspension
Air Disc Brakes
Brake Adjuster
Software
Brake and suspension schematics
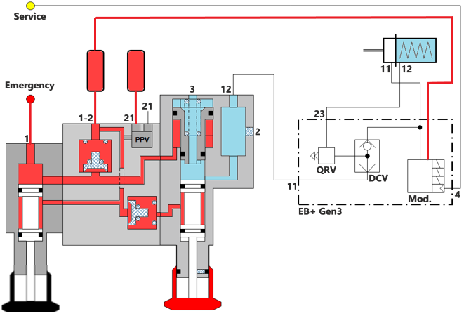
TEM - Manually parked
Drive
Parked
Uncoupled Emergency
Shunt Step 1
Shunt Step 2