TrCM+ - Maneuvering condition
TrCM+ - Rangieren
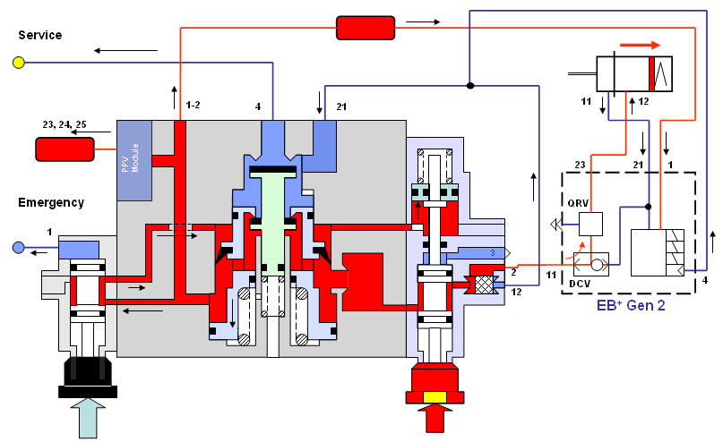
System abgekuppelt, Feststell- und Betriebsbremse vom Fahrer NICHT BETÄTIGT (Fahrzeug im RUHEZUSTAND)
Achtung: 1. Betriebsbremse lösen - 2. Feststellbremse lösen ! Rangierzustand !!!
Die Bremsen bleiben gelöst, wenn sie vor dem erneuten Ankuppeln nicht betätigt werden !!!
| Betriebsbremsen | Federspeicherbremsen | DCV (Zweiwegeventil) |
ABS | Parkventil | PPV (Überströmventil) |
|---|---|---|---|---|---|
| NICHT BETÄTIGT ** | NICHT BETÄTIGT ** | Nicht aktiv | - | Position Lösen** | Offen |
** = manuelle Bedienung
