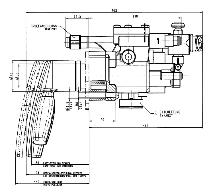
COLAS+ Single Circuit
Raise & lower valve for single circuit air suspension, including RoRo feature.
| Variants | RtR Solenoid | Ports (Pipe diameter) | ||||||
| Part No. | NLA** | CAD | RoRo* | Socket | Bayonet | Port 1 | Port 11 | Port 21 |
| 338 061 101 | NLA |
|
lowering | 8x1 | 8x1 | 12x1.5 | ||
| 338 062 101 | NLA |
|
raising and lowering | 8x1 | 8x1 | 12x1.5 | ||
| Variants with new handle Q4/2014 | RtR Solenoid | Ports (Pipe diameter) | |||||
| Part No. | CAD | RoRo* | Socket | Bayonet | Port 1 | Port 11 | Port 21 |
| 338 061 201 |
|
lowering | 8x1 | 8x1 | 12x1.5 | ||
| 338 062 201 |
|
raising and lowering | 8x1 | 8x1 | 12x1.5 | ||
* RoRo = Roll ON Roll OFF (Handle can be locked in this position), at a certain speed version with RtR solenoid return to ride height.
** NLA = No longer available
COLAS+ Single Circuit - Dimension


