Variants
Variants |
Ports |
Solenoid |
3D |
||||||||
Part No. |
NLA |
CAD |
Qty |
Type |
Air supply |
Bellow suspended axle |
Bellow lift axle |
Bellow lift device |
Socket |
Bayonet |
|
| 352 061 101 | 4 | M16x1.5 | x | x | x | x | 24V | - | |||
| 352 061 111 | 4 | M16x1.5 | x | x | x | x | - | 24V | |||
| 352 061 121 | 4 | M16x1.5 | x | x | x | x | 12V | ||||
| 352 062 101 | 4 | Push-in 8x1 | x | x | x | x | 24V | - | |||
| 352 062 111 | 4 | Push-in 8x1 | x | x | x | x | - | 24V | |||
| 352 065 111 | 4 | Push-in 8x1 | x | x | x | x | - | 12V | |||
| 352 070 101 | 7 | Push-in 8x1 | 2x | x | 2x | 2x | 24V | - | |||
| 352 070 111 | 7 | Push-in 8x1 | 2x | x | 2x | 2x | - | 24V | |||
| 352 070 121 | 6 | Push-in 8x1 | x | x | 2x | 2x | - | 24V | |||
| 352 080 001 | 7 | Push-in 8x1 | 2x | x | 2x | 2x | - | 24V | |||
| 352 080 011 | 6 | Push-in 8x1 | x | x | 2x | 2x | - | 24V | |||
| 352 080 021 | NLA | 7 | Push-in 8x1 | 2x | x | 2x | 2x | - | 12V | ||
| 352 080 031 | NLA | 6 | Push-in 8x1 | x | x | 2x | 2x | - | 12V | ||
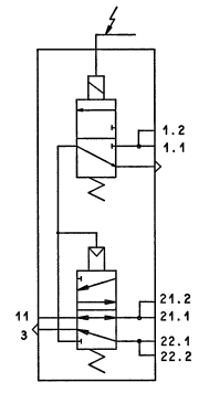
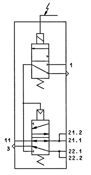
Symbol
| 352 061 / 062 xxx | 352 070 101 / 111 352 080 001 / 021 |
352 070 121 352 080 011 / 031 |
![]() |
![]() |
![]() |


