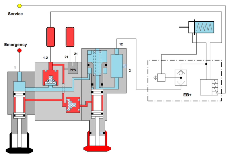
TEM - Sistema desenganchado
Sistema DESENGANCHADO, cargado > 6,2 bar (vehículo en REPOSO o en MARCHA)
La válvula de parking pasa automáticamente al modo de estacionamiento.
| Freno Servicio | Freno Parking | DCV (Prot. diferencial) |
ABS | Válvula Parking | Rebose |
|---|---|---|---|---|---|
| OFF | ON ** | OFF | - | Forzado a la posición de estacionamiento ** | Abierta |
** = operación automática
